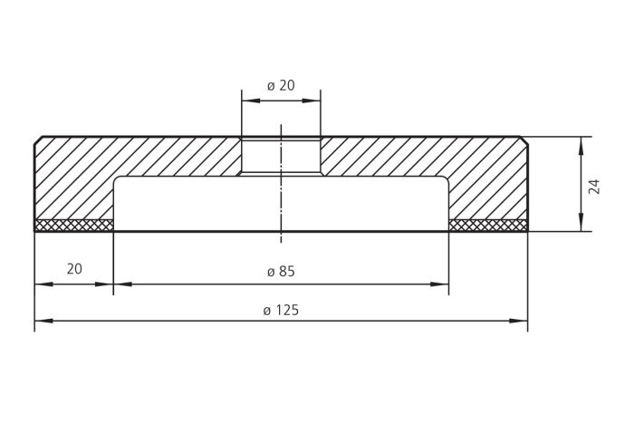
Cup wheel
For re-sharpening single flute gundrills within a diameter range from 0.5 to 2.0 mm a cup wheel is most suitable.
The grain of the wheel is chosen to keep an excellent grinding quality and sufficient stock removal without overheating the tool.
Ø-range: 0.500 – 2.000 mm

