Doppelschleifscheibe
Die Doppelschleifscheibe ist für das Nachschleifen von Einlippenbohrern im Durchmesserbereich von 2,001 bis 45 mm geeignet.
Die äußere Scheibe dient zum Vorschleifen, sie ist mit einer groben Körnung versehen, dadurch wird eine hohe Abtragsleistung bei geringer Erwärmung des Werkzeugs erreicht. Die innere Scheibe ist mit einem sehr feinen Schleifbelag versehen und dient zum Fertigschleifen. Bei möglichst kleiner Schleifzugabe ist eine optimale Oberflächenqualität bei geringer Erwärmung des Werkzeugs zu erzielen.
Ø-Bereich: 2,001 – 45,0 mm
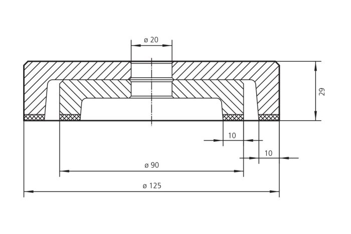
Aussen-Ø: 90 mm
Bohrung-Ø: 20,0 mm
Schleifbild: fein





